よくあるお困りごと
その設計データ、確認は人の目だけに頼っていませんか。図面の読み解きに時間を奪われ、ミスは後から発覚する......。
技術者が直面する「負のループ」です。
-

検図工数の増大
-

検図不備による手戻り・損失・長期化
-

ノウハウの属人化
解決できること
AIが図面を解析・理解、デジタル資産としてデータベース化
従来、PDFや紙の図面は「ただの画像」として眠っていました。
Drawing-AIは、アップロードするだけでAIが構造まで理解し、全員が使えるデジタル資産に変換します。
STEP1.インプット
PDFやCADなどのファイルをアップロード
STEP2.プロセス
AIが自動解析。
要約や分解・差異検知・数量カウント
STEP3.アウトプット
HTML / PDF / CSV / CAD系
ファイルなどで出力
社内システムへの自動連携(RPA)も可能
対応図面
こんな図面を一発でデジタル資産化
- 電子回路図
- 基板レイアウト図
- 設備配線図
- 電気系統図
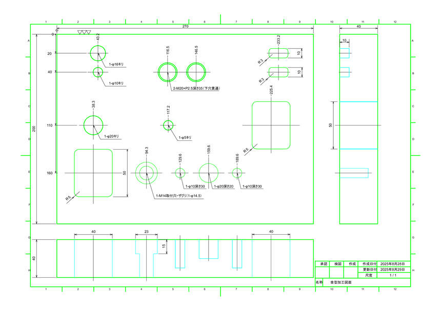
- 金型図面
- 部品設計図
- 間取り図
- 建築図面
- その他技術図面など
主な機能
Drawing-AIは、図面の種類ごとに最適化したAI解析機能を提供します。
回路図・建築図面・金型図面などそれぞれで、検図・データ化・再利用化をフルサポート。
回路図機能例
要約・解析
構成要素の自動要約・説明
BOM(部品表)の構造化出力
変換(PDFからCAD形式への出力など)
取り込んだPDFをDXFなどCAD編集可能な形式で出力
比較機能
再設計前後の回路図を並べて差分を自動検知・ハイライト
検索機能
自然言語での検索が可能。
例えば「オーディオ信号の増幅部分を見せて」と入力するだけで該当回路を即表示
建築図面機能例
スマート積算AI
図面内の長さ・面積を自動計測
規則性のあるパーツ(窓・ドア・柱など)の自動カウント→調達数・見積金額算出
実寸計測AI
ドラッグアンドドロップでの直感的な実寸計測機能
設備抽出AI
部屋名・寸法・配置を構造化データとして抽出
金型図面機能例
基本要素の解析・抽出(線分/円/円弧/文字)
金型図面内の図形要素と文字情報を自動解析。図面の構造と寸法情報を機械可読な形で把握・紐づけ
加工指示認識
「キリ」「ザグリ」などの加工指示を自動判別。指示の有無や矛盾をチェック対象に含め、修正すべき箇所を明確化
自動チェック(寸法/面取り/注記の抜け漏れ検出)
長さ・高さ・直径等の寸法の抜け・誤り、面取り指示の不足、注記・引出線の欠落を自動検出。
結果はレポート形式で集約出力し、レビューの抜け漏れを防止。
活用事例

よくある課題
回路図の読みとりミスや属人化により、回路再設計の効率が悪い(製造業・エンジニアリング業)
AI図面解析による変化
全体構造と要素を解析。回路図のデータ化・図面管理に活用。自然言語で図面をピンポイント検索、初心者の方でも何を意味する図面か理解できるように。作業精度の向上、作業期間の短縮によりコストを最適化。

よくある課題
住居の間取り図や店舗図面から目視で見積もり対象をカウントしてリスト化している。また、寸法漏れによる確認工数が多大
AI図面解析による変化
設備内のカウント・積算・見積りや実寸の計測が目視からAIになり作業時間の短縮・設計ミス見逃しを削減。

よくある課題
実際にCADで設定した寸法と図面に記載している加工指示寸法に差異があり、検図に時間を要する。
AI図面解析による変化
線分 / 円 / 円弧 / キリ / ザグリなど寸法の抜け、誤り / 面取り指示の不足、注記 / 引出線の欠落を検知し、アラートがあがることで検図に要する工数が大幅に削減、図面管理の効率化ができた。その分の時間を他の事に回せるようになった。
お問い合わせ
図面を"読める人だけのもの"にしない。全員が使えるデジタル資産に。
PDFや紙の図面が、「わかる・説明できる・再利用できる」状態に変わる。
その一歩を、1枚の図面から始めてみませんか?
無料で検証いたします。
よくあるご質問
- 紙や古いPDF図面も読み取れますか?
- はい、可能です。スキャンして画像化した図面であれば、手書き・かすれ・青焼きなども独自OCRで高精度に読み取ります。ただし、人でも判読できないレベルの劣化がある場合は限界があります。
- 寸法やスケールは正しく読み取れますか?
- はい。サンプル図面での検証は必要ですが、CADで設定した寸法と図面内の加工指示の差異を自動検知し、誤記や抜け寸法をアラートできます。
- 図面の構造(接続関係・部品の親子関係)は理解できますか?
- はい。線・部品・記号を分解し、配線図・回路図・設備図面などの構造や接続関係を解析できます。ページをまたいだ接続情報も統合して理解します。
- PDF 1ファイルに複数ページあります。読み込めますか?
- はい、問題ありません。数十〜数百ページの図面でも、ページ間の接続を統合して解析できます。
- 社内の検図ルールに合わせたチェックはできますか?
- はい。貴社の検図ルールや過去データをAIに学習させ、寸法漏れ、公差不整合、欠番、注記漏れなどを自動チェックします。過検知(問題がないものを誤検知すること)を抑えるチューニングも可能です。
- 図面とExcelやCAD情報の突合できますか?
- はい。図面から抽出した寸法・部品・公差をExcelや内製システムと自動で照合し、差分リストを生成できます。
- ここでいう検図とは何を指しますか?
- 設計した図面をAIが解析し、誤記・抜け・矛盾などの不備を自動チェックする工程です。人では見落としやすい不整合を検出し、精度向上・スピード向上・属人化防止を実現します。
- 社内レポートやCADデータに転用できますか?
- はい。解析結果は HTML / PDF / CSV / CAD系ファイル などで出力でき、DB への自動連携(RPA利用)にも対応します。
- 図面を外部に出せないのですが、利用できますか?
- オンプレミス環境でのご利用が可能です。クラウドNGの企業様でも導入実績があり、社内サーバ・ローカルPCで完結できます。

